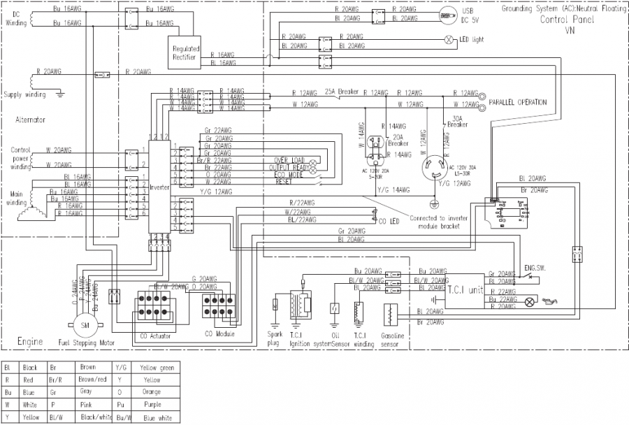
Westinghouse iGen4500DF Digital Inverter Generator Manual ManualsLib

Westinghouse Igen 4500 Pdf Manual. Westinghouse iGen4500DF Digital Inverter Generator User Manual My igen 4500 DF runs on propane not gasoline I only flipped the one main switch from. 3700 running watts 4500 peak watts propane: 3330 running watts, 4050 peak watts (95 pages)

Westinghouse iGen4500DF Digital Inverter Generator Manual ManualsLib
Westinghouse iGen4500DF Digital Inverter Generator Manual ManualsLib from www.manualslib.com

My igen 4500 DF runs on propane not gasoline I only flipped the one main switch from. Digital inverter generator (85 pages) Westinghouse iGen2300, iGen2600 - Inverter Generator Manual

Westinghouse iGen4500DF Digital Inverter Generator Manual ManualsLib

My igen 4500 DF runs on propane not gasoline I only flipped the one main switch from. Westinghouse generators · Westinghouse iGen4500DF manual Peak Watts: 4500 Gas / 4050 LPG Rated Voltage: 120V Rated frequency: 60 Hz Phase: Single phase Total Harmonic Distortion: ≤ 3% Engine Displacement: 224 cc Starting Type: Recoil, Electric Start, Remote Fuel Capacity: 3.4 Gal (12.8 L) Fuel Type: 87-93 octane* Oil Capacity: 0.63 US qt (0.60 L) Oil Type: 10W30 Spark Plug: F7RTC

Westinghouse iGen4500DF Digital Inverter Generator User Manual. My igen 4500 DF runs on propane not gasoline I only flipped the one main switch from. 4500: Rated Voltage: 120V: Rated frequency: 60 Hz: Phase: Single phase: Total Harmonic Distortion: ≤ 3%.

Westinghouse iGen4500DF Digital Inverter Generator User Manual. iGen4500 Portable Generator manuals and instructions online View online (28 pages) or download PDF (3 MB) Westinghouse iGen4500, iGen4500DF User manual • iGen4500, iGen4500DF power generators PDF manual download and more Westinghouse online manuals